Air Winch >> 5 Ton
W-50-36LAC-MB |
W-50-36LA-AB |
| 5 Ton Long Drum Winch with Manual Brake | 5 Ton Long Drum Winch with Auto Brake |
The San-Ei Seiki W-5036 Series Air Winches ideal for the most rigorous applications when dependability is essential. Designed for long operation life, long term rentals with minimum maintenance .
San-Ei Seiki Air winches have 4-Piston air motors and heavy duty frame and base construction..
San-Ei Seiki is supplying these Air Winches to Ship building, Petrochemical and marine industry applications for several decades. Brakes are designed for superior performance and safe load delivery.
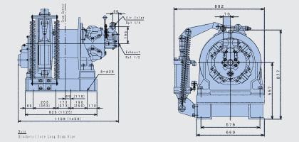
| W-50-36LAC-MB (Long Drum Air Winch Manual Brake) | SPECIFICATIONS |
||||||||||||||||||||||
![]() |
|
||||||||||||||||||||||
PERFORMANCE |
DIMENSION | ||||||||||||||||||||||
![]() |
|||||||||||||||||||||||
W-50-45LAC-MB |
W-50-45LA-AB |
| 5 Ton Long Drum Winch with Manual Brake | 5 Ton Long Drum Winch with Auto Brake |
San-Ei Seiki has introduced 5-Piston High Power, Super Tough, Work horse Air winch W-5045 series. Extra wide Brake band and super duty base, frame construction ensures safe working.
SSan-Ei Seiki’s these Air Winches are popular for applications where more Durability and Dependability is essential in most rigorous applications. Our customers are highly satisfied with super performance with minimum maintenance.
This air winch (tugger) has ideal applications in ss
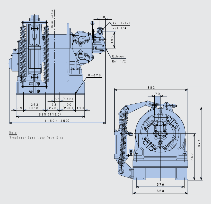
| W-50-45LAC-MB (Long Drum Air Winch Manual Brake) | SPECIFICATIONS |
||||||||||||||||||||||
![]() |
|
||||||||||||||||||||||
PERFORMANCE |
DIMENSION |
||||||||||||||||||||||
![]() |
|||||||||||||||||||||||




