Air Hoist >> VMX Series
High Rigidity, Long Life
The Unique VMX Series “San-Ei” Vane motor air chain hoists have a 100% duty cycle, anti-friction bearings and have compact, light weight design. The speed of operation is infinitely variable from precise inching to high speed hoisting. These motors are designed for spark resistance qualities and work in robust environment. The chain guide gives maximum support with minimum chain wear and air hoist has brake design that works precisely for long life. The Japanese “San-Ei” Vane motor air hoists represent the optimum efficiency, safety and Value.
This series is designed to handle weight range from 1 to 2 metric ton. These air hoists come standard with a pendant control and have complete range of options. Lifts can be changed from standard 3 meters to as large as 20 meters for models VMX100 and 10 meters for VMX200. Further longer lifts are available optionally.
Our customers are delighted to use Air Hoists with longer life with minimum maintenance.
VMX Features
Special high speed operation on demand
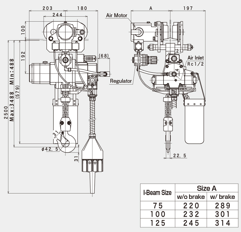
Lift 3 to 20 meters
Longer lifts we can provide
Pendant Operation
Plain Trolley
Air Motor Trolley
Geared Trolley
Steel Bucket
Specifications
| Capacity (kg) |
Air Pressure (MPa) | Lifting Speed (m/min) |
Air Consumption (N-max3 /min) |
Lift (m) |
String |
Pendant Switch | Plain Trolley | Geared Trolley | Air Motor Trolley | Model | Weight (kg) |
| 1000 | 0.6 | 5.0 | 1.6 | 3 | VMX100LC | 38 | |||||
| VMX100LP | 40 | ||||||||||
| VMX100LC-PR | 54 | ||||||||||
| 0.5 | 4.0 | 1.3 | VMX100LP-PR | 56 | |||||||
| VMX100LC-GR | 61 | ||||||||||
| 0.4 | 3.0 | 1.0 | VMX100LP-GR | 63 | |||||||
| VMX100LC-MR | 62 | ||||||||||
| VMX100LP-MR | 64 | ||||||||||
| 2000 | 0.6 | 2.5 | 1.6 | 3 | VMX200LC | 43 | |||||
| VMX200LP | 45 | ||||||||||
| VMX200LC-PR | 63 | ||||||||||
| 0.5 | 2.0 | 1.3 | VMX200LP-PR | 65 | |||||||
| VMX200LC-GR | 70 | ||||||||||
| 0.4 | 1.5 | 1.0 | VMX200LP-GR | 72 | |||||||
| VMX200LC-MR | 72 | ||||||||||
| VMX200LP-MR | 74 |




